產品介紹
■ 產品簡介 ULN2803 是單片集成高耐壓、大電流達林頓管陣列,電路內部包含八個獨立的達林頓管驅動單路。 電路內部設計有鉗位二極管,可用于驅動繼電器、步進電機等電感性負載,將達林頓管并聯可實現更高 的輸出電流能力。該電路可廣泛應用于繼電器驅動、照明驅動、顯示屏驅動(LED)、步進電機驅動和邏輯 緩沖器。ULN2803 的每一路達林頓管串聯一個2.7K 的基極電阻,在 5V 的工作電壓下可直接與 TTL/CMOS 電路連接,可直接處理標準邏輯緩沖器所處理的數據。 www.004048.com
■ 產品特點
● 寬輸入耐壓:0~30V,Ta=25℃ ● 輸出關態耐壓:50V Ta=25℃
● 輸出最大電流:500MA,Ta=25℃ ● 輸入兼容 TTL/CMOS 邏輯信號
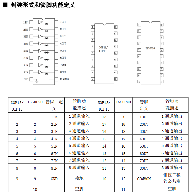
■ 封裝形式和管腳功能定義
更多產品






