產品介紹
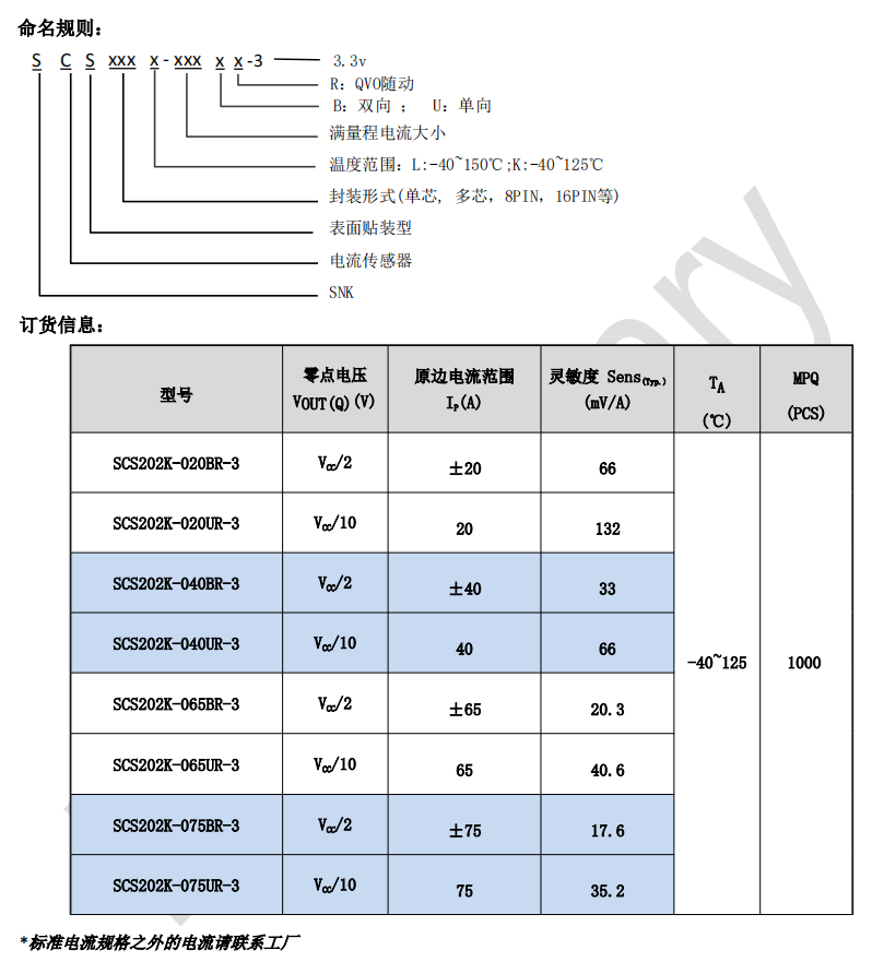
森尼克SCS202K-3系列電流傳感器各型號:SCS202K-020BR-3,SCS202K-020UR-3,SCS202K-040BR-3,SCS202K-040UR-3,SCS202K-065BR-3,SCS202K-065UR-3,SCS202K-075BR-3,SCS202K-075UR-3對標替代美國Allegro電流傳感器有ACS37002LMC系列,ACS37002KMA系列,ACS37002LLA系列,ACS37002LMA系列,pin to pin國產替代如下具體Allegro型號:ACS37002LMC系列:
ACS37002LMCATR-050B3
ACS37002KMA系列:
ACS37002LMABTR-050B3 ,ACS37002LMABTR-066B3 ,ACS37002LMABTR-050U3 ,ACS37002LMABTR-066U3 ,ACS37002KMABTR-050B3,ACS37002LLAATR-015B3 ,ACS37002LLAATR-025U3
ACS37002LLA系列:
ACS37002LMABTR-050B3,ACS37002LMABTR-066B3 ,ACS37002LMABTR-050U3 ,ACS37002LMABTR-066U3 ,ACS37002KMABTR-050B3,ACS37002LLAATR-015B3 ,ACS37002LLAATR-025U3
ACS37002LMA系列:
ACS37002LMABTR-050B3 ,ACS37002LMABTR-066B3 ,ACS37002LMABTR-050U3 ,ACS37002LMABTR-066U3 ,ACS37002KMABTR-050B3,ACS37002LLAATR-015B3 ,ACS37002LLAATR-025U3
SCS系列是高帶寬、高速響應和低噪聲的電流傳感器集成芯片系列, 適用于包括汽車、工業、消費和通信系統等眾多應用領域,為AC、DC和逆變高頻開關電源的電流檢測提供了高速、高帶寬的集成解決方案。該芯片系列可提供多種輸出模式。
優勢特點:
? 應用高靈敏度hall感應原理的開環型電流傳感器
? 單電源3.3V供電
? 支持單向或雙向輸出
? 模擬信號輸出
? 原邊測量電流范圍可從±20A-±75A
? 傳感器工作溫度范圍:-40 °C to +125°C
? 零點輸出電壓:
-xR:偏置QVO與供電電源VCC等比例輸出,比率增益Gain
VQVO=VCC/2 or VCC/10
? 差分霍爾傳感器、良好的精度、線性度以及溫漂
? 低內阻,可有效控制發熱功耗
產品應用:
? EV/HEV充電器和DC-DC電源
? 光伏逆變電源和UPS
? 電機控制和變頻器
? 開關電源、通訊和服務器電源














我司是森尼克正式授權代理商,可以提供技術支持,需要技術資料與樣品可以向我司業務人員索取(13923795851孫生-微信同號);
更多產品






