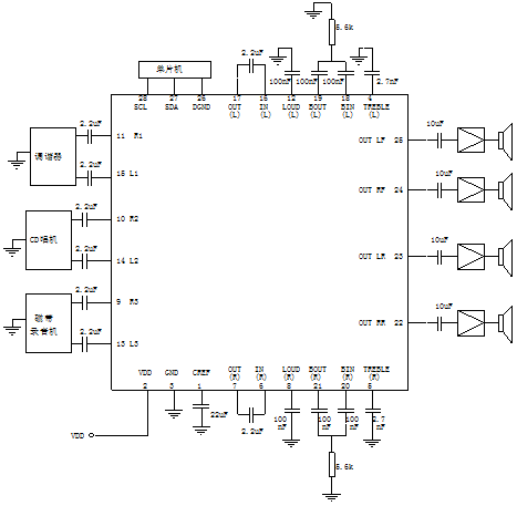
CD3313是一塊具有音量、音調(低音、高音)、平衡度(左、右)和響度(前、后)控制的音頻處理電路,適用高品質的汽車收、放音機和高保真的音響系統中。該電路提供了輸入增益選擇和局部響度控制功能。所有的控制均通過可與微機連接的串行I2C總線來操作;通過外接阻容網絡和內部運放的配合,可設置各種交流幅頻特性。由于采用了高性能的雙極/CMOS工藝技術,實現了低失真、低噪聲和低直流電平漂移。
● 含有輸入多路選擇器
● 三路立體聲信號輸入
● 輸入增益可設置以與各種信源進行最佳匹配
● 四聲道衰減
● 四個聲道可獨立控制。對平衡度和響度進行每級1.25dB的衰減和提升
● 獨立的靜音控制功能
● 所有的功能均通過串行I2C總線控制
● 有響度控制功能
● 音量控制每級1.25dB
● 高音和低音控制
● 輸入與輸出端可與外部均衡器和噪聲抑制電路匹配
● 工作電壓范圍:6.0~10.0V
● 封裝形式:SOP28/ DIP28/SSOP28
主要應用于汽車音響、Hi-Fi音響系統、LCD監視器。






