HT868是一款內置自適應同步升壓/AGC/限溫功能的智能音頻功率放大器。由鋰電池供電升壓至7.5V時, 4Ω負載條件下,能連續輸出6.5 W功率(5% THD+N);在升壓至8.5V時,4Ω負載條件下,可輸出8.0W峰值功率(5% THD+N)。
HT868內置的自適應同步升壓無需外置二極管,并可提供5.5V, 6.5V, 7.5V, 8.5V四種輸出電壓選擇,以滿足不同的輸出功率需求。另外,該升壓還具有自適應功能,小音樂信號時不升壓,可大幅提高系統效率,延長電池續航時間。
HT868內置了豐富的自動增益控制(AGC)功能,包括限幅(Limiter)和電池跟蹤(Battery Tracking)功能。限幅功能開啟后,即使輸入信號很大,音樂輸出也能被限制在指定的功率和THD+N之內;電池跟蹤功能開啟后,當電池電壓低于設定值,HT868能隨電池電壓降低而逐步減小增益以限制電池電流,此舉能大幅延長電池續航時間,并且能防止破音和過大的電流需求,降低電池在低電量時提前進入鎖死狀態的風險。
HT868還具有自動限溫控制(TFB)功能,在高功率輸出、高環境溫度等情況下導致芯片片內溫度較高時,芯片能自動降低系統增益,避免芯片進入過溫關斷保護模式,在保證音樂品質的前提下顯著提升音樂峰值功率。
HT868可在多種模式下自由切換,以滿足更多的系統應用需求:升壓+D類,升壓+AB類,單獨D類,單獨AB類。
HT868支持硬件控制模式和I2C控制模式。在I2C控制模式下,提供了豐富的功能和參數配置。
此外,HT868內部集成免濾波器調制技術,能夠直接驅動揚聲器,內置的關斷功能使待機電流最小化,還集成了輸出端過流保護、片內過溫保護和電源欠壓異常保護等功能。
特點
-
具有電池跟蹤和限幅功能的自動增益控制(AGC)
- 電池跟蹤(Battery Tracking)功能:電池電壓較低時,自動減小系統增益,延長電池續航時間
- 限幅(Limiter)功能:自由選擇音頻限制幅度,使輸出音頻信號限制在固定失真水平內
-
內置自適應同步升壓
- 小音樂信號時不升壓,可大幅提高系統效率,延長電池續航時間
- 外圍無需二極管
-
內置自動限溫控制功能
-
-特別適用于升壓8.5V+D類,升壓+AB類狀態下及環境溫度較高的情況,顯著提升音樂峰值功率
-
靜態電流:8.0mA, 3.6V
-
效率:85%(VBAT = 4.2V, RL = 4?+22uH, Po = 0.6W)
-
THD+N:0.02%(VBAT = 3.6V, RL = 4?+22uH, Po = 0.5W, Class D)
-
靈活操作:支持硬件(HT868)或I2C控制模式(HT868C)
-
電源
-
-升壓輸入VBAT:2.8V至5.0V
-
-升壓輸出VPOUT多種選擇:5.5V, 6.5V, 7.5V, 8.5V
-
輸出功率
3.5 W (VBAT=4.2V, VPOUT = 5.5V, RL=4?, THD+N=5%)
5.0 W (VBAT=4.2V, VPOUT = 6.5V, RL=4?, THD+N=5%)
6.5 W (VBAT=4.2V, VPOUT = 7.5V, RL=4?, THD+N=5%)
8.0 W (VBAT=4.2V, VPOUT = 8.5V, RL=4?, THD+N=5%)
4.3 W (VBAT=4.2V, VPOUT = 8.5V, RL=8?, THD+N=5%)
-
HT868C I2C控制模式下可調節音量
-
多種模式可選:升壓+D類,升壓+AB類,單獨D類,單獨AB類
-
保護功能:過流/過熱/欠壓異常保護功能
-
無鉛無鹵封裝,TSSOP28L-PP
應用
-
藍牙音箱/Wi-Fi音箱
-
便攜式音箱
-
2.1聲道小音箱
-
擴音器
-
iphone/ipod/ipod docking
-
MP4, 導航儀?平板電腦,筆記本電腦
-
智能手機
-
小尺寸LCD電視/監視器
-
便攜式游戲機
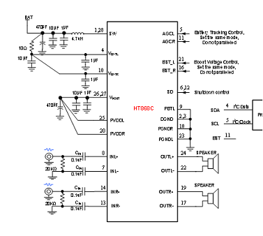
1. HT868 BTL模式
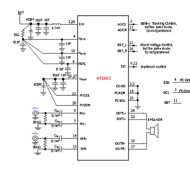
2.HT868 PBTL模式
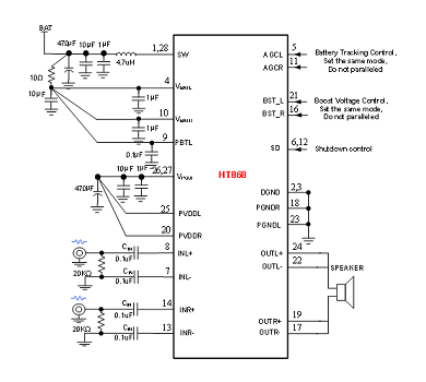
3. HT868C BTL模式
4. HT868C PBTL模式






