產品介紹
主要性能? 四象限乘法計算
? 12 位線性 DAC
? TTL / CMOS 兼容
? 不需要肖特基二極管保護
? 漏電流低邏輯輸入
? 信號發生器
? 模擬加工
? 儀器應用
? 可編程放大器和衰減器
? 數控校準
? 可編程濾波器和振蕩器
? 復合視頻
? 超聲波
? 增益、偏置和電壓微調
? 兼容 ADI 的 AD7541A

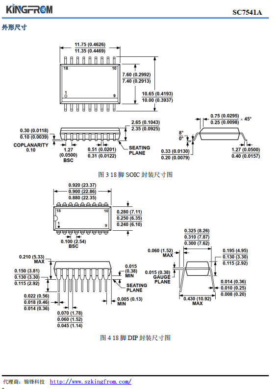
SC7541A 是一款高性能的 12 位數模轉換器(DAC)。這是一款人造的采用先進、低噪聲、薄膜、互補金屬氧化物半導體(CMOS)技術的新型芯片。 SC7541A 封裝為 18 腳 PDIP, 18 腳 PLCC 及 18 腳 SOIC。該 SC7541A 是新型設計,設計確保了 SC7541A 是閉鎖自由;因此,不需要肖特基二極管來保護輸出。
SC7541A 采用激光晶圓微調來實現線性 12 位的精度。
產品亮點
SC7541A 上的數字輸入是 TTL/CMOS 兼容的。他們有 a±1uA 的最大輸入電流要求,因此 SC7541A 不需要使用驅動電路。
SC7541A 提供了以下改進:
1.所有等級的增益誤差隨著等級的增加而減小, SC7541A 的最大增益誤差為±3 LSB。
2.增益誤差溫度系數降為典型為 2ppm /°C,最大為 5ppm /°C。
3.SC7541A 數字到模擬的輸入電流在正常情況下比 SC7541 低 20%。
4.規避了閂鎖效應。
5.激光晶片修整技術可以提供在正常工作溫度范圍內 1/2 LSB 微分非線性誤差。
6.所有的芯片都能夠保證在規定溫度范圍下工作時精度為 12 位。





我司是SC正式授權代理商,可以提供技術支持,需要技術資料與樣品可以向我司業務人員索取(13923795851孫生-微信同號);
更多產品






