產品介紹
- 芯片由顯示存儲器、64位數據鎖存器、64位驅動器和解碼邏輯組成。芯片內含的RAM用來存儲從8位MCU傳輸來的顯示數據并產生點陣液晶的驅動信號
-
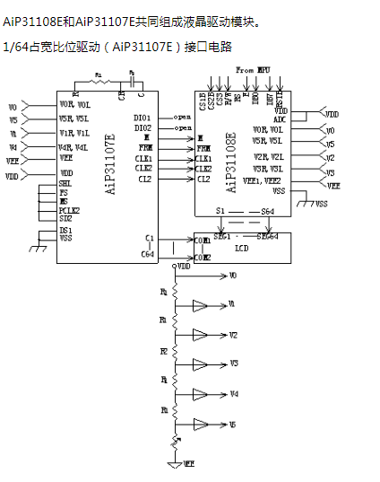
64通道點陣式液晶列驅動
● 輸入、輸出信號
輸入:
1) 8位并聯顯示數據
2) MPU產生的控制信號
3) 分級電壓偏置 (V0R,V0L,V2R,V2L,V3R,V3L,V5R,V5L)
輸出:64通道液晶驅動
● MPU產生的顯示數據存儲在RAM中
● 內部RAM
1) 容量:512字節(4096位)
2) RAM每位數據:DATA=1:ON DATA=0:OFF
● LCD顯示占空比:1/32~1/64
● LCD驅動電壓:8V~17V(VDD-VEE)
● 電源電壓:2.7V~5.5V
● 高壓CMOS工藝
● 芯片尺寸:3385*3620 (μm×μm)
● 芯片襯底接VDD或浮空
● 封裝形式: DIE
更多產品






