產品介紹
SC9231 國產替代美國 ADI AD9231 雙通道 12 位 20/40/65/80MSps ADC主要性能
? 1.8V 電源供電
? 1.8V 至 3.3V 輸出電源
? 低功耗:
每個通道 31mW (20MSPS)
每個通道 66mW (80MSPS)
? 信噪比(SNR):
72.5dBFS(30.5MHz 輸入)
69dBFS(200MHz 輸入)
? 無雜散動態范圍(SFDR):
82dBc(30.5MHz 輸入)
74dBc(200MHz 輸入)
? 微分非線性(DNL): ±0.2LSB(典型值)
? 片內基準電壓源和采樣保持電路
? 完全兼容 ADI 的 AD9231
? QFN-64 封裝 9mm×9mm
應用場合
? 通信
? 分集無線電系統
? 多模式數字接收器
? I/Q 解調系統
? 智能天線系統
? 電池供電儀表
? 手持式示波器
? 便攜式醫療成像
? 超聲
? 雷達/LIDAR

產品概況
SC9231 是一款單芯片、雙通道、 12 位、 20MSPS/40MSPS/65MSPS/80MSPS 模數轉換器(ADC),采用 1.8V 電源供電,內置高性能采樣保持電路和片內基準電壓源。
該產品采用多級差分流水線架構,內置輸出糾錯邏輯,在 80 MSPS 數據速率時可提供 14 位精度,并保證在整個工作溫度范圍內無失碼。該 ADC 內置多種功能特性,可使器件的靈活性達到最佳、系統成本最低,例如可編程時鐘與數據對準、生成可編程數字測試碼等。可獲得的數字測試碼包括內置固定碼和偽隨機碼,以及通過串行端口接口(SPI)輸入的用戶自定義測試碼。
采用一個差分時鐘輸入來控制所有內部轉換周期。數字輸出數據格式為偏移二進制、格雷碼或二進制補碼。每個 ADC 通道均有一個數據輸出時鐘(DCO),用來確保接收邏輯具有正確的鎖存時序。該器件支持 1.8V 和 3.3V 兩種 CMOS 電平,輸出數據可以在單條輸出總線上多路復用。
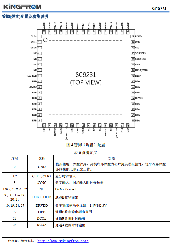
SC9231 采用符合 RoHS 標準的 64 引腳的 QFN 封裝。



我司是SC正式授權代理商,可以提供技術支持,需要技術資料與樣品可以向我司業務人員索取(13923795851孫生-微信同號);
更多產品






