產品介紹
主要性能? 芯片集成兩個 12 位 DAC
? DAC 的梯度阻抗匹配為 0.5%
? 四象限乘法計算
? 低增益誤差
? 高速接口計時
? 節省空間:使用 DIP 或表面貼片作為封裝形式
? 完全兼容 AD7547

? 自動測試裝備
? 可編程濾波器
? 音頻應用程序
? 同步應用程序
產品概況
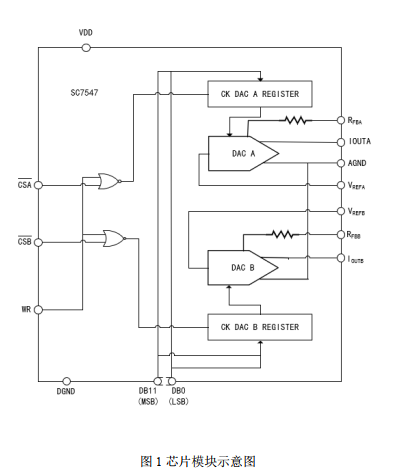
SC7547 是一顆雙通道 12 位的 DAC。芯片上配有電平移位器、數據寄存器以及用作與微處理器連接的邏輯控制接口。
SC7547 總共有 12 個數據輸入口。 CSA, CSB, WR 接口控制 DAC 選擇和裝載。數據在上升時被鎖存到 DAC 寄存器中。 SC7547 的運算速度兼容的大多數微型處理器,接受 TTL, 74HC 和 5VCMOS 邏輯電平輸入。SC7547 使用四象限乘法作為計算方式,并且配置有單獨的參考輸入和反饋電阻。單片結構保證了熱誤差和增益誤差蹤跡表現良好。保證兩個 DAC 工作在合理的溫度范圍內。
SC7547 是使用線性兼容 CMOS(LC2MOS)的工藝。這允許快速的數字邏輯和精密線性電路可以在集成在一片芯片內。





我司是SC正式授權代理商,可以提供技術支持,需要技術資料與樣品可以向我司業務人員索取(13923795851孫生-微信同號);
更多產品






