產品介紹
描述
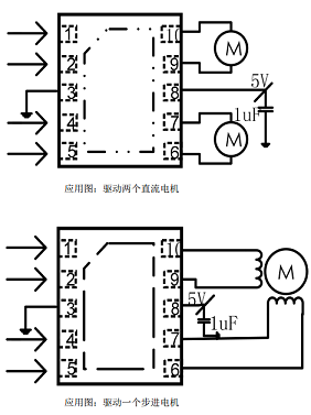
GC3901 是一款低壓 5V 全橋驅動芯片,為攝像機、 消費類產品、 玩具和其他低壓或者電池供電的運動控制類應用提供了集成的電機驅動解決方案。 一般應用中驅動兩個獨立的直流電機, 或者一個步進電機。
GC3901 每個通道能提供高達 1.2A 的持續輸出電流; 可以工作在 1.2~6V 的電源電壓。
GC3901 具有 PWM(IN/IN) 輸入接口,與行業標準器件兼容, 并具有過溫保護功能。
GC3901 采用 DFN10 封裝。
GC3901 是一款低壓 5V 全橋驅動芯片,為攝像機、 消費類產品、 玩具和其他低壓或者電池供電的運動控制類應用提供了集成的電機驅動解決方案。 一般應用中驅動兩個獨立的直流電機, 或者一個步進電機。
GC3901 每個通道能提供高達 1.2A 的持續輸出電流; 可以工作在 1.2~6V 的電源電壓。
GC3901 具有 PWM(IN/IN) 輸入接口,與行業標準器件兼容, 并具有過溫保護功能。
GC3901 采用 DFN10 封裝。
特點
● H 橋電機驅動器
-- 電源電壓 1.2~7V
-- 低導通阻抗(HS+LS)420mΩ
● 1.2A 持續驅動輸出電流
● PWM(IN/IN)輸入模式
● 內置過溫保護
● 低電流睡眠模式(nA 級,
IN1=IN2=IN3=IN4=0)
應用
● 攝像機
● 數字單鏡頭反光(DSLR) 鏡頭
● 玩具
● 機器人技術
● 共享單車鎖
● 水氣表開關
● 醫療設備
● 電動牙刷
管腳圖
管腳列表
典型應用原理圖
我司是GC杭州世芯正式授權代理商,可以提供技術支持;
更多產品






