5V四通道差分驅動芯片AM26LS31/GC26L31S使用總結
一、差分驅動信號輸出電壓低:
差分驅動的輸出信號電壓(在VCC=5V時)沒有達到預期的5V,而只有3.3V左右。這其實是芯片的正常輸出電壓,是為了兼容3.3V的接口系統。從芯片的內部電路結構(圖1)也可以看出,Y、Z輸出是在晶體管的射級,自然不可能達到芯片的供電電壓。

圖1
另外,從AM26LS31芯片手冊的典型特性圖(G_Input vs Y_Output[圖2],Data_Input Vs Y_Output[圖3])可以看出:芯片的輸出在不接負載或接負載后到GND時,輸出電壓雖然隨著VCC電壓略有波動,但都在3.3V附近。

圖2

圖3
而根據另一幅特性圖(G_Input vs Y_Output [圖4])卻發現芯片的輸出達到了VCC供電電壓,這是因為芯片的Y、Z輸出通過了一個外部上拉接到VCC。亦即是說,如果使用該差分驅動芯片,要使輸出電壓達到VCC水平,需要外部對輸出管口進行上拉。

圖4
二、芯片發熱嚴重:該芯片正常工作時有一定的溫升,且較其它芯片更加明顯一些。該芯片的熱阻系數如圖5所示:

圖5【待補充上圖參數的意義講解】
要減輕芯片的發熱,目前已知有兩條途徑:
1)、選用大封裝,以加強散熱;
2)、由于芯片的輸入管腳內部接的是兩個穩壓二極管,所以從前級管腳到本芯片的輸入管腳之間有一定的阻值,以防止VCC直接通過穩壓二極管到GND,導致功耗大增(特別是當前級控制管腳工作在推挽模式下時)。當前級管腳為開漏輸出時,需要進行上拉才能正常控制;弱上拉的管腳可以正常控制。
三、該芯片的輸出信號使用:
該芯片作為差分驅動芯片,每個通道均輸出一組互補的Y、Z信號。該組信號既可以直接接到其他的差分接收芯片,如AM26LS32,以進行信號轉換和傳輸(如圖6)。也可以進行后級驅動,如驅動光耦(如圖7)。

圖6

圖7
但在使用過程中,有幾點要注意:
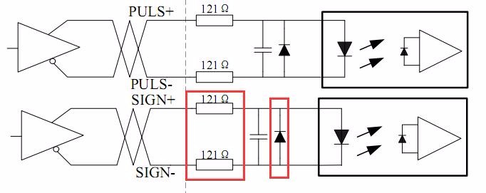
1)、在將差分信號作為傳輸、轉換使用時,在接收端的Y、Z線間,有必要跨接一個電阻(根據傳輸線每100英尺阻抗來定,一般100-120Ω),以減輕信號傳輸線上的信號反射,提高傳輸可靠性(如圖6中的紅框部分)。
2)、在用差分信號來驅動后級,如光耦時。在接收端,要考慮到光耦的最大正向電流,因此需要在Y、Z線上接限流電阻;還要考慮到防止光耦前級發光二極管被反向擊穿,所以要在Y、Z之間反向跨接一個二極管(如圖7中的紅框部分)
5V四通道差分線路驅動芯片世芯GC26L31S-國產替代TI am26ls31 無需更改外圍 PIN對PIN
芯片描述
GC26L32S 是一款低壓 5V 四通道差分線路接收芯片, 可接收差分平衡和非平衡數字數據, 使能控制端可同時控制四路接收,切 G 為高電平有效, GN 為低電平有效。 輸入在開路狀態時, 輸出高電平。GC26L32S 采用 SOP16 封裝。
? AC 和伺服馬達驅動
? 最小 12KΩ輸入阻抗
我司是GC杭州世芯正式授權代理商,可以提供技術支持,需要技術資料可以向我司業務人員索取(13923795851孫生-微信同號);
? 汽車應用
? 工廠自動化
? ATM 和點鈔機
? 滿足 ANSI TIA/EIA-422-B 和 ITU V1.0和 V1.11 要求
? 共模輸入范圍: ±7V
? 輸入靈敏度: 正負 200mV
? 輸入遲滯: 50mV
? 5V 單電源供電
? 低功耗肖特基電路
? 三態輸出
? 互補使能輸入控制







- 上一篇:寵物理發器三相無刷電機驅動芯片解決方案 2020/6/18
- 下一篇:分銷商紛紛轉型 IC 設計?也許只是砸錢納投名狀而已 2020/6/17

