三相異步電動機的調速如何控制,你做對了嗎?
1、變極調速的方法
變換異步電動機繞組極數從而改變同步轉速進行調速的方式稱為變極調速。其轉速只能按階躍方式變化,不能連續變化。變極調速的基本原理是:如果電網頻率不變,電動機的同步轉速與它的極對數成反比。因此,變更電動機繞組的結線方式,使其在不同的極對數下運行,其同步轉速便會隨之改變。異步電動機的極對數是由定子繞組的聯接方式來決定,這樣就可以通過改換定子繞組的聯接來改變異步電動機的極對數。變更極對數的調速方法一般僅適用于籠型異步電動機。雙速電動機、三速電動機是變極調速中最常用的兩種形式。
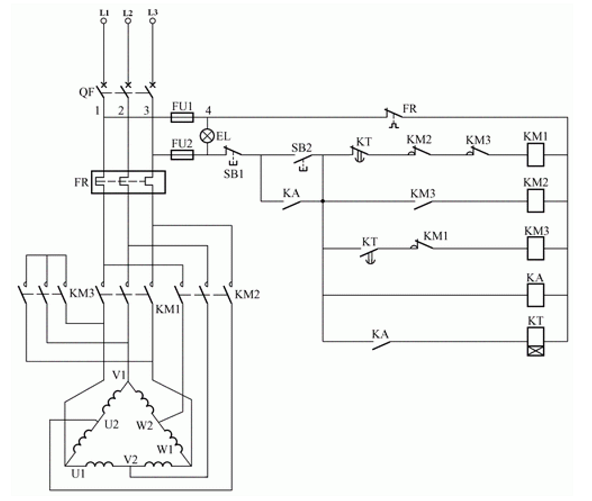
2.雙速電動機的控制線路
雙速電動機的定子繞組的聯接方式常有兩種:一種是繞組從三角形改成雙星形,如下圖 (a)所示的連接方式轉換成如圖(c)所示的連接方式,另一種是繞組從單星形改成雙星形,如圖(b)所示的連接方式轉換成如圖(c)所示的連接方式,這兩種接法都能使電動機產生的磁極對數減少一半即電動機的轉速提高一倍。
下圖是雙速電動機三角形變雙星形的控制原理圖,當按下起動按鈕SB2,主電路接觸器KMl的主觸頭閉合,電動機三角形連接,電動機以低速運轉;同時KA的常開觸頭閉合使時間繼電器線圈帶電,經過一段時間(時間繼電器的整定時間),KMl的主觸頭斷開,KM2、KM3的主觸頭閉合,電動機的定子繞組由三角形變雙星形,電動機以高速運轉。
雙速電動機的控制原理圖
線路工作原理分析:
變極調速的優點是設備簡單,運行可靠,既可適用于恒轉矩調速(Y/YY),也可適用于近似恒功率調速(△/YY)。其缺點是轉速只能成倍變化,為有極調速。Y/YY變極調速應用于起重電葫蘆、運輸傳送帶等;△/YY變極調速應用于各種機床的粗加工和精加工。
二、變轉差率調速
1.變壓調速
變壓調速是異步電機調速系統中比較簡便的一種。由電氣傳動原理可知,當異步電機的等效電路參數不變時,在相同的轉速下,電磁轉矩與定子電壓的二次方成正比,因此,改變定子外加電壓就可以改變機械特性的函數關系,從而改變電機在一定輸出轉矩下的轉速。調壓調速目前主要采用晶閘管交流調壓器變壓調速,是通過調整晶閘管的觸發角來改變異步電動機端電壓進行調速的一種方式。這種調速方式調速過程中的轉差功率損耗在轉子里或其外接電阻上效率較低,僅用于小容量電動機。
2.轉子串電阻調速
轉子串電阻調速是在繞線轉子異步電動機轉子外電路上接入可變電阻,通過對可變電阻的調節,改變電動機機械特性斜率來實現調速的一種方式。電機轉速可以按階躍方式變化,即有級調速。其結構簡單,價格便宜,但轉差功率損耗在電阻上,效率隨轉差率增加等比下降,故這種方法目前一般不被采用。
3.串級調速
繞線轉子異步電動機的轉子繞組能通過集電環與外部電氣設備相連接,可在其轉子側引入控制變量如附加電動勢進行調速。前述的在繞線轉子異步電動機的轉子回路串入不同數值的可調電阻,從而獲得電動機的不同機械特性,以實現轉速調節就是基于這一原理的一種方法。
電氣串級調速的基本原理是在繞線轉子異步電動機轉子側通過二極管或晶閘管整流橋,將轉差頻率交流電變為直流電,再經可控逆變器獲得可調的直流電壓作為調速所需的附加直流電動勢,將轉差功率變換為機械能加以利用或使其反饋回電源而進行調速的一種方式。這是一種節能型調速方式,在大功率風機、泵類等傳動電動機上得到應用。
三、變頻調速
變頻調速是利用電動機的同步轉速隨頻率變化的特性,通過改變電動機的供電頻率進行調速的方法。在異步電動機諸多的調速方法中,變頻調速的性能最好,調速范圍廣,效率高,穩定性好。
采用通用變頻器對籠型異步電動機進行調速控制,由于使用方便,可靠性高并且經濟效益顯著,所以逐步得到推廣應用。通用變頻器是指可以應用于普通的異步電動機調速控制的變頻器,其通用性強。
對異步電動機進行調速控制時,電動機的主磁通應保持額定值不變。若磁通太弱,鐵心利用不充分,同樣的轉子電流下,電磁轉矩小,電動機的負載能力下降;而磁通太強,鐵心發熱,波形變壞。如何實現磁通不變?
根據三相異步電動機定子每相電動勢的有效值為:
E1=4.44f1N1Φ(3-3)
式中E1---定子每相由氣隙磁通感應的電動勢的方均根值(V)
f1----定子頻率(Hz)
N1---定子相繞組有效匝數;
Φ----每極磁通量(Wb)
如果不計定子阻抗壓降,則U1≈E1=4.44f1N1Φ(3-4)
若端電壓U1不變,則隨著f1的升高,氣隙磁通Φ將減小,又從轉矩公式:
T=CMΦI2COSφ2
可以看出,磁通Φ的減小勢必導致電動機允許輸出轉矩T下降,降低電動機的出力。同時,電動機的最大轉矩也將降低,嚴重時會使電動機堵轉;若維持端電壓U1不變,而減小f1,則氣隙磁通Φ將增加。這就會使磁路飽和,勵磁電流上升,導致鐵損急劇增加,這也是不允許的。因此在許多場合,要求在調頻的同時改變定子電壓U1,以維持Φ接近不變。下面分兩種情況說明:
1.基頻以下的恒磁通變頻調速
為了保持電動機的負載能力,應保持氣隙主磁通Φ不變,這就要求降低供電頻率的同時降低感應電動勢,保持E1/f1=常數,即保持電動勢與頻率之比為常數進行控制,這種控制又稱為恒磁通變頻調速,屬于恒轉矩調速方式。由于E1難于直接檢測和直接控制,可以近似地保持定子電壓U1和頻率f1的比值為常數,即認為E1≈U1,保持U1/f1=常數。這就是恒壓頻比控制方式,是近似的恒磁通控制。
2.基頻以上的弱磁變頻調速
這是考慮由基頻開始向上調速的情況。頻率由額定值向上增大時,電壓U1由于受額定電壓U1N的限制不能再升高,只能保持U1=U1N不變,這樣必然會使主磁通隨著f1的上升而減小,相當于直流電動機弱磁調速的情況,即近似的恒功率調速方式。
由上面的討論可知,異步電動機的變頻調速必須按照一定的規律同時改變其定子電壓和頻率,基于這種原理構成的變頻器即所謂的VVVF(VariableVoltageVariableFreqency)調速控制,這也是通用變頻器(VVVF)的基本原理。
根據U1和f1的不同比例關系,將有不同的變頻調速方式。保持U1/f1為常數的比例控制方式適用于調速范圍不太大或轉矩隨轉速下降而減小的負載,例如風機、水泵等;保持T為常數的恒磁通控制方式適用于調速范圍較大的恒轉矩性質的負載,例如升降機械、攪拌機、傳送帶等;保持P為常數的恒功率控制方式適用于
- 上一篇:微處理器CPU的發展概況 2019/12/12
- 下一篇:無刷直流電機GC4931的攪拌器不二的選擇 2019/12/11

