科普文章—詳解開關電源的幾種拓撲結構
2020/6/17 11:50:28 點擊:
1、基本的脈沖寬度調制波形
這些拓撲結構都與開關式電路有關。
基本的脈沖寬度調制波形定義如下:

2、Buck降壓

■把輸入降至一個較低的電壓。
■可能是最簡單的電路。
■電感/電容濾波器濾平開關后的方波。
■輸出總是小于或等于輸入。
■輸入電流不連續 (斬波)。
■輸出電流平滑。
3、Boost升壓

■把輸入升至一個較高的電壓。
■與降壓一樣,但重新安排了電感、開關和二極管。
■輸出總是比大于或等于輸入(忽略二極管的正向壓降)。
■輸入電流平滑。
■輸出電流不連續 (斬波)。
4、Buck-Boost降壓-升壓

■電感、開關和二極管的另一種安排方法。
■結合了降壓和升壓電路的缺點。
■輸入電流不連續 (斬波)。
■輸出電流也不連續 (斬波)。
■輸出總是與輸入反向 (注意電容的極性),但是幅度可以小于或大于輸入。
■“反激”變換器實際是降壓-升壓電路隔離(變壓器耦合)形式。
5、Flyback反激

■如降壓-升壓電路一樣工作,但是電感有兩個繞組,而且同時作為變壓器和電感。
■輸出可以為正或為負,由線圈和二極管的極性決定。
■輸出電壓可以大于或小于輸入電壓,由變壓器的匝數比決定。
■這是隔離拓撲結構中最簡單的
■增加次級繞組和電路可以得到多個輸出。
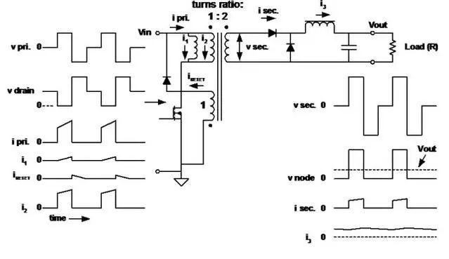
6、Forward正激

■降壓電路的變壓器耦合形式。
■不連續的輸入電流,平滑的輸出電流。
■因為采用變壓器,輸出可以大于或小于輸入,可以是任何極性。
■增加次級繞組和電路可以獲得多個輸出。
■在每個開關周期中必須對變壓器磁芯去磁。常用的做法是增加一個與初級繞組匝數相同的繞組。
■在開關接通階段存儲在初級電感中的能量,在開關斷開階段通過另外的繞組和二極管釋放。
7、Two-Transistor Forward雙晶體管正激

■兩個開關同時工作。
■開關斷開時,存儲在變壓器中的能量使初級的極性反向,使二極管導通。
■主要優點:
■每個開關上的電壓永遠不會超過輸入電壓。
■無需對繞組磁道復位。
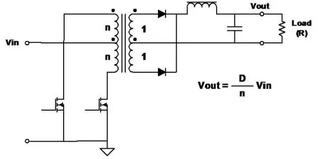
8、Push-Pull推挽

■開關(FET)的驅動不同相,進行脈沖寬度調制(PWM)以調節輸出電壓。
■良好的變壓器磁芯利用率---在兩個半周期中都傳輸功率。
■全波拓撲結構,所以輸出紋波頻率是變壓器頻率的兩倍。
■施加在FET上的電壓是輸入電壓的兩倍。
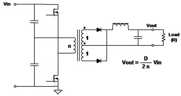
9、Half-Bridge半橋

■較高功率變換器極為常用的拓撲結構。
■開關(FET)的驅動不同相,進行脈沖寬度調制(PWM)以調節輸出電壓。
■良好的變壓器磁芯利用率---在兩個半周期中都傳輸功率。而且初級繞組的利用率優于推挽電路。
■全波拓撲結構,所以輸出紋波頻率是變壓器頻率的兩倍。
■施加在FET上的電壓與輸入電壓相等。
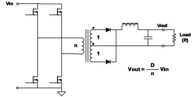
10、Full-Bridge全橋

■較高功率變換器最為常用的拓撲結構。
■開關(FET)以對角對的形式驅動,進行脈沖寬度調制(PWM)以調節輸出電壓。
■良好的變壓器磁芯利用率---在兩個半周期中都傳輸功率。
■全波拓撲結構,所以輸出紋波頻率是變壓器頻率的兩倍。
■施加在 FETs上的電壓與輸入電壓相等。
■在給定的功率下,初級電流是半橋的一半。
11、SEPIC單端初級電感變換器

■輸出電壓可以大于或小于輸入電壓。
■與升壓電路一樣,輸入電流平滑,但是輸出電流不連續。
■能量通過電容從輸入傳輸至輸出。
■需要兩個電感。
12、C’uk(Slobodan C’uk的專利)

■輸出反相
■輸出電壓的幅度可以大于或小于輸入。
■輸入電流和輸出電流都是平滑的。
■能量通過電容從輸入傳輸至輸出。
■需要兩個電感。
■電感可以耦合獲得零紋波電感電流。
13、電路工作的細節
下面講解幾種拓撲結構的工作細節 ■降壓調整器: 連續導電 臨界導電 不連續導電 ■升壓調整器 (連續導電) ■變壓器工作 ■反激變壓器 ■正激變壓器
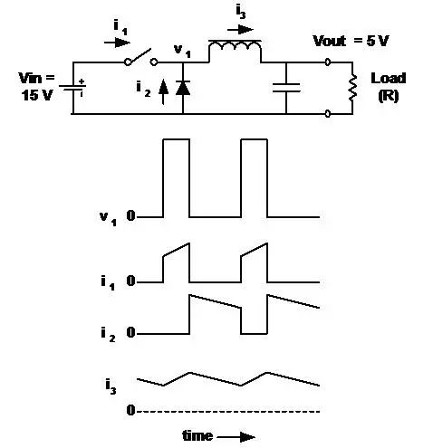
14、Buck-降壓調整器-連續導電

■電感電流連續。
■Vout 是其輸入電壓 (V1)的均值。
■輸出電壓為輸入電壓乘以開關的負荷比 (D)。
■接通時,電感電流從電池流出。
■開關斷開時電流流過二極管。
■忽略開關和電感中的損耗, D與負載電流無關。
■降壓調整器和其派生電路的特征是:
輸入電流不連續 (斬波), 輸出電流連續 (平滑)。
15、Buck-降壓調整器-臨界導電

■電感電流仍然是連續的,只是當開關再次接通時 “達到”零。 這被稱為 “臨界導電”。 輸出電壓仍等于輸入電壓乘以D。
16、Buck-降壓調整器-不連續導電

■在這種情況下,電感中的電流在每個周期的一段時間中為零。
■輸出電壓仍然 (始終)是 v1的平均值。
■輸出電壓不是輸入電壓乘以開關的負荷比 (D)。
■當負載電流低于臨界值時,D隨著負載電流而變化(而Vout保持不變)。
17、Boost升壓調整器

■輸出電壓始終大于(或等于)輸入電壓。
■輸入電流連續,輸出電流不連續(與降壓調整器相反)。
■輸出電壓與負荷比(D)之間的關系不如在降壓調整器中那么簡單。在連續導電的情況下:

在本例中,Vin = 5, Vout = 15, and D = 2/3. Vout = 15,D = 2/3.
18、變壓器工作(包括初級電感的作用)

■變壓器看作理想變壓器,它的初級(磁化)電感與初級并聯。
19、反激變壓器

■此處初級電感很低,用于確定峰值電流和存儲的能量。當初級開關斷開時,能量傳送到次級。
20、Forward 正激變換變壓器

■初級電感很高,因為無需存儲能量。
■磁化電流 (i1) 流入 “磁化電感”,使磁芯在初級開關斷開后去磁 (電壓反向)。
21、總結
■此處回顧了目前開關式電源轉換中最常見的電路拓撲結構。
■還有許多拓撲結構,但大多是此處所述拓撲的組合或變形。
■每種拓撲結構包含獨特的設計權衡:
施加在開關上的電壓
斬波和平滑輸入輸出電流
繞組的利用率
■選擇最佳的拓撲結構需要研究:
輸入和輸出電壓范圍
電流范圍
成本和性能、大小和重量之比
www.004048.com
關鍵字:開關電源設計
這些拓撲結構都與開關式電路有關。
基本的脈沖寬度調制波形定義如下:

2、Buck降壓

■把輸入降至一個較低的電壓。
■可能是最簡單的電路。
■電感/電容濾波器濾平開關后的方波。
■輸出總是小于或等于輸入。
■輸入電流不連續 (斬波)。
■輸出電流平滑。
3、Boost升壓

■把輸入升至一個較高的電壓。
■與降壓一樣,但重新安排了電感、開關和二極管。
■輸出總是比大于或等于輸入(忽略二極管的正向壓降)。
■輸入電流平滑。
■輸出電流不連續 (斬波)。
4、Buck-Boost降壓-升壓

■電感、開關和二極管的另一種安排方法。
■結合了降壓和升壓電路的缺點。
■輸入電流不連續 (斬波)。
■輸出電流也不連續 (斬波)。
■輸出總是與輸入反向 (注意電容的極性),但是幅度可以小于或大于輸入。
■“反激”變換器實際是降壓-升壓電路隔離(變壓器耦合)形式。
5、Flyback反激

■如降壓-升壓電路一樣工作,但是電感有兩個繞組,而且同時作為變壓器和電感。
■輸出可以為正或為負,由線圈和二極管的極性決定。
■輸出電壓可以大于或小于輸入電壓,由變壓器的匝數比決定。
■這是隔離拓撲結構中最簡單的
■增加次級繞組和電路可以得到多個輸出。
6、Forward正激

■降壓電路的變壓器耦合形式。
■不連續的輸入電流,平滑的輸出電流。
■因為采用變壓器,輸出可以大于或小于輸入,可以是任何極性。
■增加次級繞組和電路可以獲得多個輸出。
■在每個開關周期中必須對變壓器磁芯去磁。常用的做法是增加一個與初級繞組匝數相同的繞組。
■在開關接通階段存儲在初級電感中的能量,在開關斷開階段通過另外的繞組和二極管釋放。
7、Two-Transistor Forward雙晶體管正激

■兩個開關同時工作。
■開關斷開時,存儲在變壓器中的能量使初級的極性反向,使二極管導通。
■主要優點:
■每個開關上的電壓永遠不會超過輸入電壓。
■無需對繞組磁道復位。
8、Push-Pull推挽

■開關(FET)的驅動不同相,進行脈沖寬度調制(PWM)以調節輸出電壓。
■良好的變壓器磁芯利用率---在兩個半周期中都傳輸功率。
■全波拓撲結構,所以輸出紋波頻率是變壓器頻率的兩倍。
■施加在FET上的電壓是輸入電壓的兩倍。
9、Half-Bridge半橋

■較高功率變換器極為常用的拓撲結構。
■開關(FET)的驅動不同相,進行脈沖寬度調制(PWM)以調節輸出電壓。
■良好的變壓器磁芯利用率---在兩個半周期中都傳輸功率。而且初級繞組的利用率優于推挽電路。
■全波拓撲結構,所以輸出紋波頻率是變壓器頻率的兩倍。
■施加在FET上的電壓與輸入電壓相等。
10、Full-Bridge全橋

■較高功率變換器最為常用的拓撲結構。
■開關(FET)以對角對的形式驅動,進行脈沖寬度調制(PWM)以調節輸出電壓。
■良好的變壓器磁芯利用率---在兩個半周期中都傳輸功率。
■全波拓撲結構,所以輸出紋波頻率是變壓器頻率的兩倍。
■施加在 FETs上的電壓與輸入電壓相等。
■在給定的功率下,初級電流是半橋的一半。
11、SEPIC單端初級電感變換器

■輸出電壓可以大于或小于輸入電壓。
■與升壓電路一樣,輸入電流平滑,但是輸出電流不連續。
■能量通過電容從輸入傳輸至輸出。
■需要兩個電感。
12、C’uk(Slobodan C’uk的專利)

■輸出反相
■輸出電壓的幅度可以大于或小于輸入。
■輸入電流和輸出電流都是平滑的。
■能量通過電容從輸入傳輸至輸出。
■需要兩個電感。
■電感可以耦合獲得零紋波電感電流。
13、電路工作的細節
下面講解幾種拓撲結構的工作細節 ■降壓調整器: 連續導電 臨界導電 不連續導電 ■升壓調整器 (連續導電) ■變壓器工作 ■反激變壓器 ■正激變壓器
14、Buck-降壓調整器-連續導電

■電感電流連續。
■Vout 是其輸入電壓 (V1)的均值。
■輸出電壓為輸入電壓乘以開關的負荷比 (D)。
■接通時,電感電流從電池流出。
■開關斷開時電流流過二極管。
■忽略開關和電感中的損耗, D與負載電流無關。
■降壓調整器和其派生電路的特征是:
輸入電流不連續 (斬波), 輸出電流連續 (平滑)。
15、Buck-降壓調整器-臨界導電

■電感電流仍然是連續的,只是當開關再次接通時 “達到”零。 這被稱為 “臨界導電”。 輸出電壓仍等于輸入電壓乘以D。
16、Buck-降壓調整器-不連續導電

■在這種情況下,電感中的電流在每個周期的一段時間中為零。
■輸出電壓仍然 (始終)是 v1的平均值。
■輸出電壓不是輸入電壓乘以開關的負荷比 (D)。
■當負載電流低于臨界值時,D隨著負載電流而變化(而Vout保持不變)。
17、Boost升壓調整器

■輸出電壓始終大于(或等于)輸入電壓。
■輸入電流連續,輸出電流不連續(與降壓調整器相反)。
■輸出電壓與負荷比(D)之間的關系不如在降壓調整器中那么簡單。在連續導電的情況下:

在本例中,Vin = 5, Vout = 15, and D = 2/3. Vout = 15,D = 2/3.
18、變壓器工作(包括初級電感的作用)

■變壓器看作理想變壓器,它的初級(磁化)電感與初級并聯。
19、反激變壓器

■此處初級電感很低,用于確定峰值電流和存儲的能量。當初級開關斷開時,能量傳送到次級。
20、Forward 正激變換變壓器

■初級電感很高,因為無需存儲能量。
■磁化電流 (i1) 流入 “磁化電感”,使磁芯在初級開關斷開后去磁 (電壓反向)。
21、總結
■此處回顧了目前開關式電源轉換中最常見的電路拓撲結構。
■還有許多拓撲結構,但大多是此處所述拓撲的組合或變形。
■每種拓撲結構包含獨特的設計權衡:
施加在開關上的電壓
斬波和平滑輸入輸出電流
繞組的利用率
■選擇最佳的拓撲結構需要研究:
輸入和輸出電壓范圍
電流范圍
成本和性能、大小和重量之比
www.004048.com
關鍵字:開關電源設計
- 上一篇:分銷商紛紛轉型 IC 設計?也許只是砸錢納投名狀而已 2020/6/17
- 下一篇:什么是FOC--無刷直流電機(BLDC)和永磁同步電機(PM 2020/6/17

