SC1464 16通道集成16位1 MSPS雙極性輸入、雙路同步采樣ADC的數據采樣系統
SC1464 16通道集成16位1 MSPS雙極性輸入、雙路同步采樣ADC的數據采樣系統
產品概況
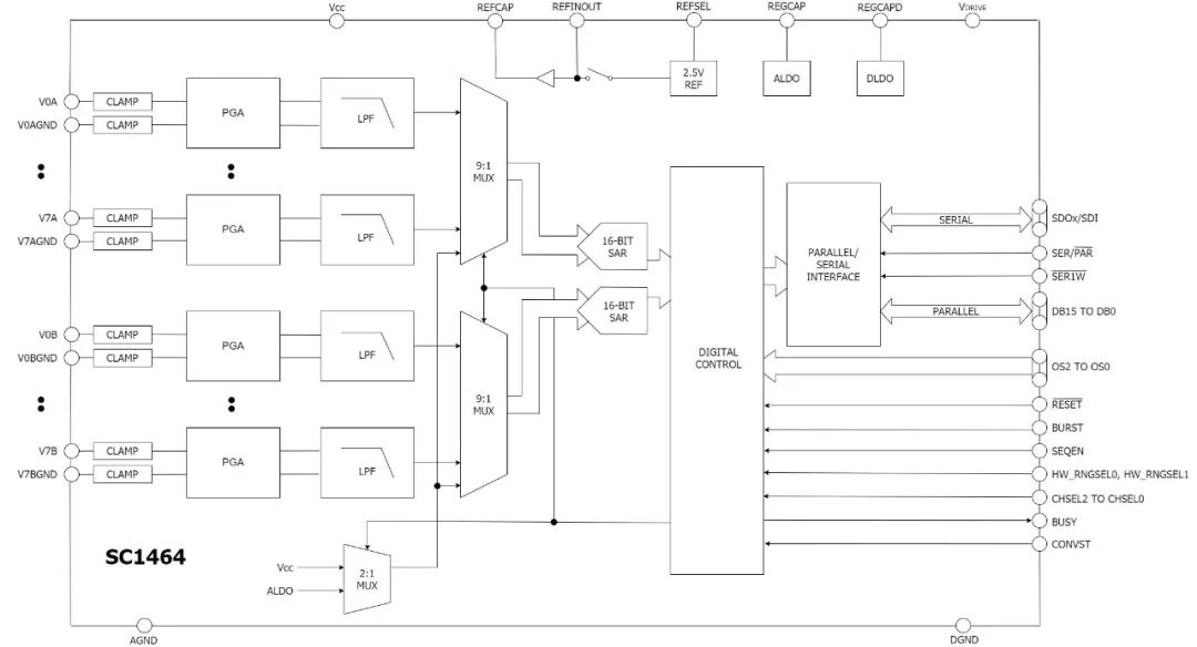
SC1464是一款16位數據采集系統,內置雙路16位SAR模數轉換器 (ADC),支持對16個通道進行雙路同步采樣,每個通道均集成模擬輸入箝位保護和模擬濾波器。該器件還集成了靈活的數字濾波器、2.5 V精密基準電壓源和基準電壓緩沖器以及串行和并行接口。
SC1464采用5 V單電源供電,可處理±10 V、±5 V和±2.5 V的真雙極性輸入信號,同時每對通道支持以高達1 MSPS的吞吐率和90dB SNR進行采樣。利用片內過采樣模式還可以實現更高的SNR性能,當過采樣率 (OSR) 為2時,SNR為92dB。
輸入箝位保護電路可承受電壓高達±30 V,ESD等級可達8kV。SC1464模擬輸入阻抗為 1 M?,因此無需外加運算放大器驅動。
01
主要性能
◎ 16通道,雙路同步采樣
◎ 可獨立選擇通道輸入范圍
? 真雙極性:±10 V、±5 V、±2.5 V
◎ 5 V單模擬電源
◎ VDRIVE電源電壓:2.3 V至3.6 V
◎ 完全集成的數據采集解決方案:
? ±30V輸入箝位保護,8kV ESD
? 具有1MΩ模擬輸入阻抗的輸入緩沖器
? 一階抗混疊模擬濾波器
? 片上精密基準電壓及基準電壓緩沖器
? 雙通道16位逐次逼近寄存器 (SAR) ADC
? 吞吐率:2×1MSPS
? 集成數字濾波器的過采樣功能
? 靈活的序列發生器,支持突發模式
◎ 靈活的并行/串行接口:
? 可選循環冗余校驗 (CRC) 錯誤檢查
◎ 支持硬件/軟件配置
◎ 性能:
? 信噪比 (SNR): 92dB (500kSPS, 2倍過采樣)
? 信噪比 (SNR): 90dB (1 MSPS)
? 總諧波失真 (THD): ?103dB
? 工作功耗:IVCC 30mA
◎ 工作溫度范圍:-40℃~125℃
◎ LQFP-80封裝
02
應用場景
輸入
◎ 電力線路監測
◎ 保護繼電器
◎ 多相電機控制
◎ 儀表和控制系統
◎ 數據采集系統 (DAS)
功能模塊示意圖
- 上一篇:上海芯熾SC1254 與ADI AD9253 差別 2024/2/24
- 下一篇:消息稱比亞迪計劃在巴西建設電動汽車工廠,組建一體化供應鏈 2024/1/16

