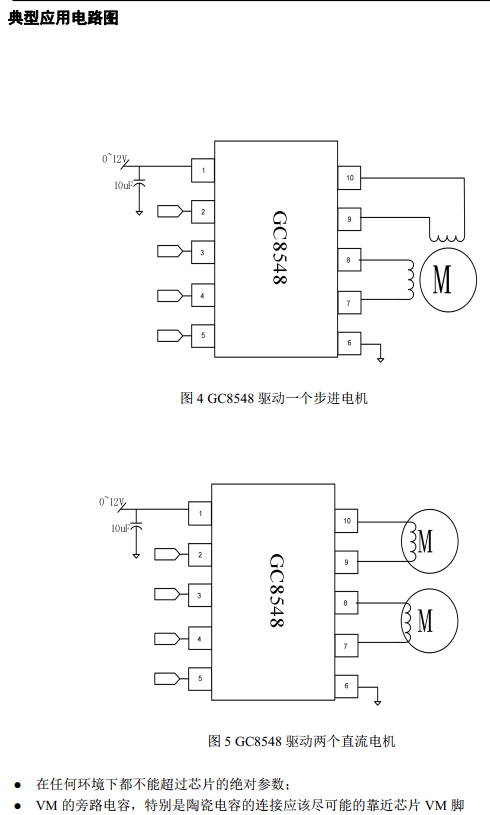
GC8548完全替代LV8548 雙通道H橋電機驅動芯片IC設計電路圖典型應用電路圖
2020-4-6 13:54:31??????點擊:
GC8548完全替代LV8548 雙通道H橋電機驅動芯片IC設計電路圖典型應用電路圖
我司是GC杭州世芯正式授權代理商,可以提供技術支持,需要技術資料可以向我司業務人員索取(13923795851孫生-微信同號);
- 上一篇:中國電機馬達行業概況分析 2020/4/7
- 下一篇:LV8549國產替代GC8549參考設計電路 典型電路應用圖 2020/4/6

