電力應用有“神器”!上海芯熾正在發力...
2024-3-21 12:20:27??????點擊:

隨著電網系統的迅速發展,電力線監測設備、繼電保護產品正不斷地更新換代并改變著設計模式。作為國產高性能信號處理解決方案供應商,上海芯熾科技集團有限公司(SIMCHIP)為簡化數據采集系統設計,提高性能,推出的一系列高性能ADC一直引領該領域的技術發展路線。
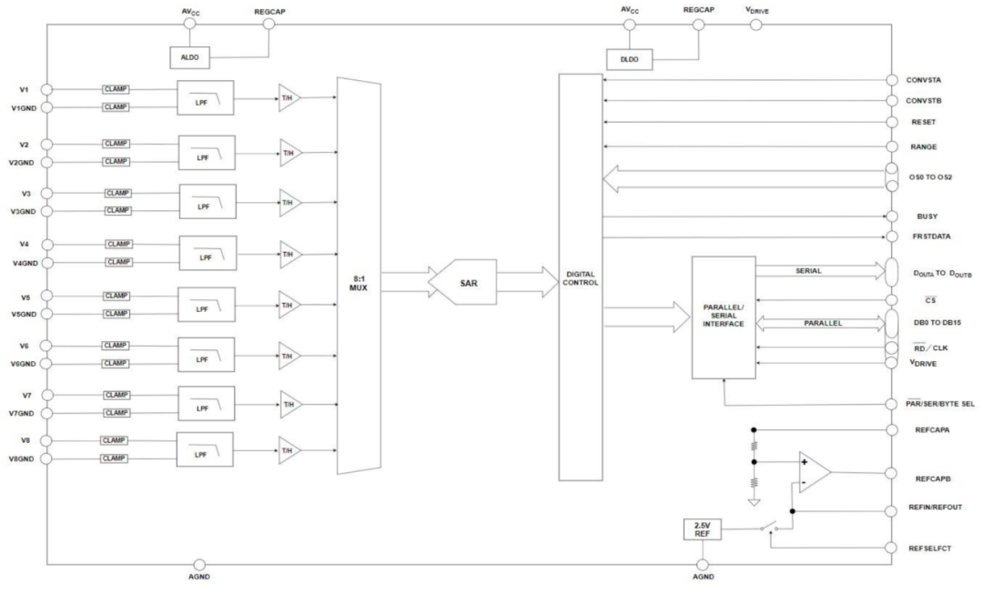
SC1467是上海芯熾科技推出的一款采用8通道16位同步采樣的SAR型ADC,使用5V單模擬電源供電,簡化了電力系統設計,無論使用何種采樣頻率,SC1467都有1MΩ模擬輸入阻抗。它可以適應±10V和±5V真雙極性輸入信號,滿足所有通道都能以高達200kSPS的吞吐速率采樣,此外,±30V的電壓輸入箝位保護電路及8kV ESD保護系統均提升了芯片在電力監測系統中的可靠性。由于采用單電源供電、集成二階抗混疊模擬濾波器和高模擬輸入阻抗,所以無需驅動運算放大器和外部雙極性電源,便可完成電力監測系統的應用。隨著技術的更新和產品工藝的改進,尤其是其±10V雙極多通道同步輸入等技術特點,使SC1467成為電力繼電保護的主流選擇,目前該產品仍在大量的電力監測及保護設備中發揮重要作用。

圖1 SC1467芯片模塊示意圖
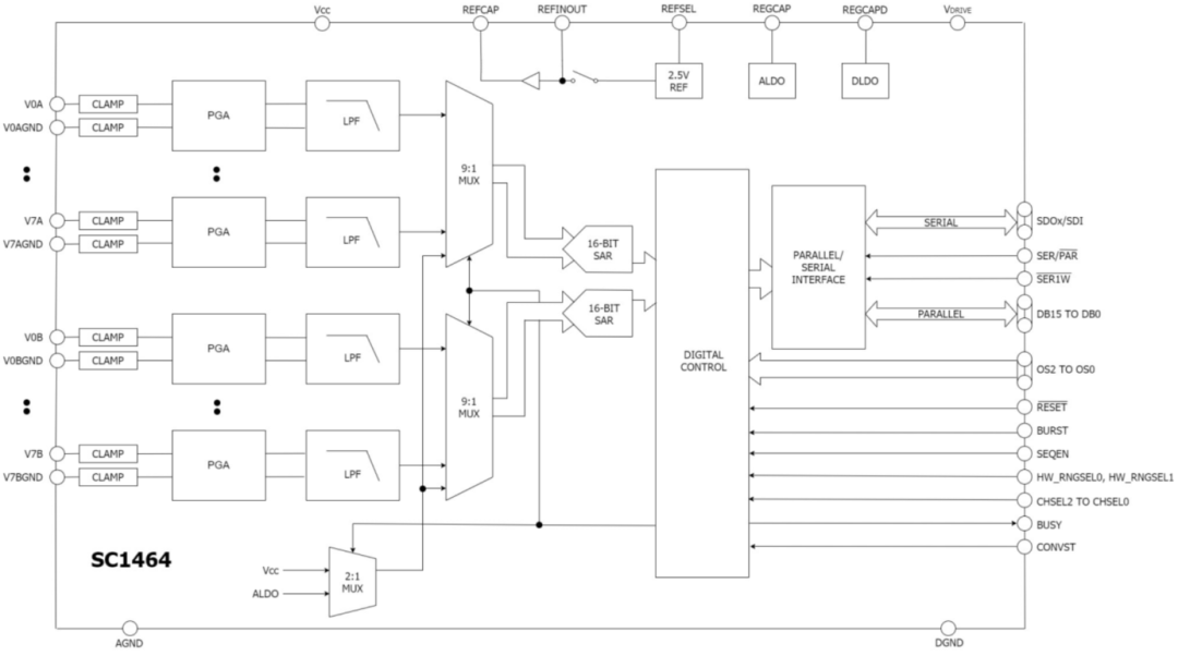
隨著電力需求的增長和可再生能源發電的增加,電網的覆蓋范圍、間隔密度和精確度都反推電力公司進行升級,越來越多客戶具有多通道高采樣率ADC需求,上海芯熾科技2023年度發布的新品SC1464則能更好的滿足客戶此類需求。
SC1464是16通道集成16位雙極性輸入ADC,可實現16個通道的雙路同步采樣,吞吐率達2×1MSPS,能夠在更多通道數采樣的應用中減少對多個部件的需求,從而簡化了電力系統設計并降低系統成本,30mA的低工作功耗也進一步提升在電力監測系統中的運用優勢。此外,該器件具有精密基準源及基準電壓源緩沖器,集成數字濾波器的過采樣功能,可選循環冗余校驗(CRC)錯誤檢查也使它無需更多外部保護電路或外部信號調理;以及特有的自動診斷功能,SC1464可以轉換兩個診斷通道:AVCC和ALDO電壓,從而避免增加成本。

圖2 SC1464芯片模塊示意圖
結語
SC1467及SC1464適合一系列配電應用,例如低壓繼電保護器、工業伺服電機控制及儀表控制終端,值得您的信賴。
- 上一篇:全球這兩座新晶圓廠將推遲? 2024/3/22
- 下一篇:新能源汽車不正當的競爭行為,工信部定調 2024/3/20

