基于瑞薩電子電機控制,RAMDA算法技術特點及基本原理介紹
2020-7-11 16:30:17??????點擊:
[導讀] 引言 隨著綠色環保、節能減排逐漸成為中國市場和社會的主題,政府監管力度逐年加大,對各類產品的低能耗要求也越來越嚴格。從剃須刀,吹風機這樣的小家電,到工業自動化生產線,種類繁多的電機在各種
引言
隨著綠色環保、節能減排逐漸成為中國市場和社會的主題,政府監管力度逐年加大,對各類產品的低能耗要求也越來越嚴格。從剃須刀,吹風機這樣的小家電,到工業自動化生產線,種類繁多的電機在各種消費類產品和工業產品中扮演著核心角色,為了達到節能環保的目標,電機控制技術變得尤為重要。針對中國市場,瑞薩在積極推廣高性能、低功耗RX單片機的同時,還開發了完全自主知識產權的先進電機控制解決方案RAMDA算法,用以構建高性能、高可靠性的永磁同步電動機的驅動解決方案,幫助客戶開發新一代綠色環保的新產品。
家用電器保有量巨大,總能耗也十分可觀,是國家關注的重點。尤其對家用電器中的能耗大戶-空調器的能效要求逐年提高,其中空調壓縮機的驅動技術是提升能效的關鍵技術。
通過在RX單片機上結合RAMDA算法,客戶可以快速開發出高性能,高可靠性的空調室外機系統。
RAMDA算法簡介
?RAMDA算法是瑞薩電子提供的先進變頻驅動解決方案,瑞薩電子具有完全自主知識產權。
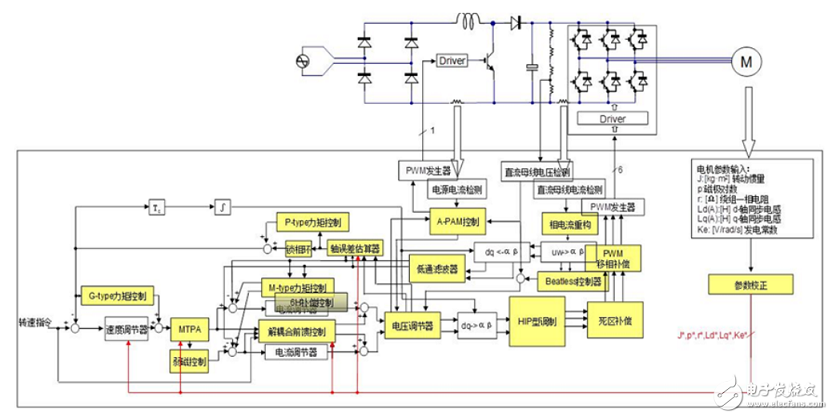
?RAMDA算法集電機控制和單相交流電源功率因數校正技術于一體,配合RAMDA程序框架,為用戶整體系統的開發提供了一個堅實的基礎平臺和友好的用戶接口。
?RAMDA算法具備兩大核心技術:用于調節電源功率因數的A-PAM功能和先進的壓縮機驅動技術。而這樣的算法,不增加硬件成本,相反,兩大核心技術同時提供了精簡的硬件需求。
?經過長期的市場驗證,得到客戶的充分認可。
下圖為RAMDA控制邏輯框圖:

基于瑞薩電子電機控制,RAMDA算法技術特點及基本原理介紹
(1)用于功率因數校正的A-PAM技術
A-PAM技術有以下優點
?直流母線電壓可變
?變頻系統綜合效率可調節
基于A-PAM,用戶可以精確控制直流母線電壓的輸出值,在保證系統綜合效率的前提下,提供足夠的直流母線電壓。 與傳統PFC相比較,A-PAM可以限制直流母線電壓的輸出值,PFC電路效率也比較高。
通過限制直流母線電壓,客戶可以選擇更低耐壓等級的濾波電容器,實現更低的系統成本。例如在單相220V供電系統中,傳統PFC的輸出直流電壓一般在350[V]-390[V],系統設計者會選擇450[V]耐壓的濾波電容器。采用了A-PAM技術后,可以實時的根據負載的變化把直流母線電壓限制在最高340[V]±1[V],系統設計就可以選擇400[V]耐壓的濾波電容器,降低了系統的硬件成本。

基于瑞薩電子電機控制,RAMDA算法技術特點及基本原理介紹
另外,A-PAM技術不需要檢測交流電壓過零點或者幅值的硬件電路,進一步降低了系統成本。

基于瑞薩電子電機控制,RAMDA算法技術特點及基本原理介紹
(2)先進的壓縮機驅動技術
RAMDA算法提供基本的永磁同步電動機驅動功能,基于電機的基本參數(磁極數、繞組電阻、同步電感、最大磁通量、轉動慣量)使電機高效穩定的運轉。
而RAMDA算法與眾不同之處,是其獨創的力矩控制算法。
家電中普遍采用的都是單轉子類型的電機,如空調壓縮機等。在普通算法的驅動下,單轉子結構的電機會引發系統振動。這種振動時有害的。以空調系統為例,在低轉速(低于30[rps])的情況下,會形成系統共振,系統噪音提高,嚴重時還會造成空調系統應力集中點的損壞。在高速運轉中,電動機相電流的峰值高,諧波大,高頻的噪音高,并且限制了變頻器的輸出能力。針對這樣的市場要求,RAMDA算法包含了以下兩個力矩波動補償技術:
?G-type力矩控制
在G-type力矩控制作用下,系統振動達到最低,從而保證系統在低速下平穩、正常運轉,擴大了系統實際運行的低頻范圍。通過下圖可以看出,G-type力矩控制可以在低于30[rps]時大幅降低系統振動。

基于瑞薩電子電機控制,RAMDA算法技術特點及基本原理介紹
各種力矩控制作用下,系統振動振幅在各個轉速下的比較圖。
?M-type力矩控制
在M-type力矩控制作用下,變頻器輸出恒定的力矩,電動機相電流波形峰值下降,降低了諧波與功率損耗,降低了系統噪音。下圖為M-type力矩控制時的電動機相電流波形與沒有力矩控制是的電動機相電流的比較。

基于瑞薩電子電機控制,RAMDA算法技術特點及基本原理介紹沒有力矩控制時的相電流波形

基于瑞薩電子電機控制,RAMDA算法技術特點及基本原理介紹
M-Type力矩控制時的相電流波形
獨創的過調制技術
與A-PAM技術相配合,提高直流母線電壓的利用率,過調制會帶來諧波失真。為了克服這一缺陷,RAMDA算法中限制諧波失真度低于10%,通過精準的計算調制度與輸出電壓和直流母線電壓比值之間的關系,RAMDA算法開發了獨創的過調制算法。如下圖所示如果不應用過調制技術,最大調制度只能到1.15。
線性調制

基于瑞薩電子電機控制,RAMDA算法技術特點及基本原理介紹
在保證諧波失真度低于10%的情況下,應用RAMDA算法的過調制技術,調制度最大可以達到2。
過調制
基于瑞薩電子電機控制,RAMDA算法技術特點及基本原理介紹
弱磁控制功能
盡量避免輸出電壓飽和,保證在有限的直流母線電壓的情況下,輸出符合要求的力矩。
隨著轉速的不斷升高,繞組中的感應電壓幅值越來越高。 當直流母線電壓一定時,繞組端電壓的幅值有限。 這樣,如果仍然根據MTPA等算法發送電壓指令,繞組電壓甚至低于感應電動勢的電壓, 這就會導致繞組中的電流不足,逆變器無法輸送足夠的功率給電動機。 為了解決這一個問題,有意在d-軸上增加負的電流,讓繞組電壓的相位超前感應電動勢, 以保持輸出到電動機的功率。這就是弱磁控制。 對于IPM電機來說,我們定義三種弱磁的“境界” 1)充分利用永磁扭矩和磁阻扭矩的MTPA算法。 2)直流母線電壓一定條件下,保持輸出扭矩恒定的“淺弱磁” 3)直流母線電壓一定條件下,保持高轉速和恒定輸出功率的“深度弱磁”。

基于瑞薩電子電機控制,RAMDA算法技術特點及基本原理介紹
引言
隨著綠色環保、節能減排逐漸成為中國市場和社會的主題,政府監管力度逐年加大,對各類產品的低能耗要求也越來越嚴格。從剃須刀,吹風機這樣的小家電,到工業自動化生產線,種類繁多的電機在各種消費類產品和工業產品中扮演著核心角色,為了達到節能環保的目標,電機控制技術變得尤為重要。針對中國市場,瑞薩在積極推廣高性能、低功耗RX單片機的同時,還開發了完全自主知識產權的先進電機控制解決方案RAMDA算法,用以構建高性能、高可靠性的永磁同步電動機的驅動解決方案,幫助客戶開發新一代綠色環保的新產品。
家用電器保有量巨大,總能耗也十分可觀,是國家關注的重點。尤其對家用電器中的能耗大戶-空調器的能效要求逐年提高,其中空調壓縮機的驅動技術是提升能效的關鍵技術。
通過在RX單片機上結合RAMDA算法,客戶可以快速開發出高性能,高可靠性的空調室外機系統。
RAMDA算法簡介
?RAMDA算法是瑞薩電子提供的先進變頻驅動解決方案,瑞薩電子具有完全自主知識產權。
?RAMDA算法集電機控制和單相交流電源功率因數校正技術于一體,配合RAMDA程序框架,為用戶整體系統的開發提供了一個堅實的基礎平臺和友好的用戶接口。
?RAMDA算法具備兩大核心技術:用于調節電源功率因數的A-PAM功能和先進的壓縮機驅動技術。而這樣的算法,不增加硬件成本,相反,兩大核心技術同時提供了精簡的硬件需求。
?經過長期的市場驗證,得到客戶的充分認可。
下圖為RAMDA控制邏輯框圖:

基于瑞薩電子電機控制,RAMDA算法技術特點及基本原理介紹
(1)用于功率因數校正的A-PAM技術
A-PAM技術有以下優點
?直流母線電壓可變
?變頻系統綜合效率可調節
基于A-PAM,用戶可以精確控制直流母線電壓的輸出值,在保證系統綜合效率的前提下,提供足夠的直流母線電壓。 與傳統PFC相比較,A-PAM可以限制直流母線電壓的輸出值,PFC電路效率也比較高。
通過限制直流母線電壓,客戶可以選擇更低耐壓等級的濾波電容器,實現更低的系統成本。例如在單相220V供電系統中,傳統PFC的輸出直流電壓一般在350[V]-390[V],系統設計者會選擇450[V]耐壓的濾波電容器。采用了A-PAM技術后,可以實時的根據負載的變化把直流母線電壓限制在最高340[V]±1[V],系統設計就可以選擇400[V]耐壓的濾波電容器,降低了系統的硬件成本。

基于瑞薩電子電機控制,RAMDA算法技術特點及基本原理介紹
另外,A-PAM技術不需要檢測交流電壓過零點或者幅值的硬件電路,進一步降低了系統成本。

基于瑞薩電子電機控制,RAMDA算法技術特點及基本原理介紹
(2)先進的壓縮機驅動技術
RAMDA算法提供基本的永磁同步電動機驅動功能,基于電機的基本參數(磁極數、繞組電阻、同步電感、最大磁通量、轉動慣量)使電機高效穩定的運轉。
而RAMDA算法與眾不同之處,是其獨創的力矩控制算法。
家電中普遍采用的都是單轉子類型的電機,如空調壓縮機等。在普通算法的驅動下,單轉子結構的電機會引發系統振動。這種振動時有害的。以空調系統為例,在低轉速(低于30[rps])的情況下,會形成系統共振,系統噪音提高,嚴重時還會造成空調系統應力集中點的損壞。在高速運轉中,電動機相電流的峰值高,諧波大,高頻的噪音高,并且限制了變頻器的輸出能力。針對這樣的市場要求,RAMDA算法包含了以下兩個力矩波動補償技術:
?G-type力矩控制
在G-type力矩控制作用下,系統振動達到最低,從而保證系統在低速下平穩、正常運轉,擴大了系統實際運行的低頻范圍。通過下圖可以看出,G-type力矩控制可以在低于30[rps]時大幅降低系統振動。

基于瑞薩電子電機控制,RAMDA算法技術特點及基本原理介紹
各種力矩控制作用下,系統振動振幅在各個轉速下的比較圖。
?M-type力矩控制
在M-type力矩控制作用下,變頻器輸出恒定的力矩,電動機相電流波形峰值下降,降低了諧波與功率損耗,降低了系統噪音。下圖為M-type力矩控制時的電動機相電流波形與沒有力矩控制是的電動機相電流的比較。

基于瑞薩電子電機控制,RAMDA算法技術特點及基本原理介紹沒有力矩控制時的相電流波形

基于瑞薩電子電機控制,RAMDA算法技術特點及基本原理介紹
M-Type力矩控制時的相電流波形
獨創的過調制技術
與A-PAM技術相配合,提高直流母線電壓的利用率,過調制會帶來諧波失真。為了克服這一缺陷,RAMDA算法中限制諧波失真度低于10%,通過精準的計算調制度與輸出電壓和直流母線電壓比值之間的關系,RAMDA算法開發了獨創的過調制算法。如下圖所示如果不應用過調制技術,最大調制度只能到1.15。
線性調制

基于瑞薩電子電機控制,RAMDA算法技術特點及基本原理介紹
在保證諧波失真度低于10%的情況下,應用RAMDA算法的過調制技術,調制度最大可以達到2。
過調制
基于瑞薩電子電機控制,RAMDA算法技術特點及基本原理介紹
弱磁控制功能
盡量避免輸出電壓飽和,保證在有限的直流母線電壓的情況下,輸出符合要求的力矩。
隨著轉速的不斷升高,繞組中的感應電壓幅值越來越高。 當直流母線電壓一定時,繞組端電壓的幅值有限。 這樣,如果仍然根據MTPA等算法發送電壓指令,繞組電壓甚至低于感應電動勢的電壓, 這就會導致繞組中的電流不足,逆變器無法輸送足夠的功率給電動機。 為了解決這一個問題,有意在d-軸上增加負的電流,讓繞組電壓的相位超前感應電動勢, 以保持輸出到電動機的功率。這就是弱磁控制。 對于IPM電機來說,我們定義三種弱磁的“境界” 1)充分利用永磁扭矩和磁阻扭矩的MTPA算法。 2)直流母線電壓一定條件下,保持輸出扭矩恒定的“淺弱磁” 3)直流母線電壓一定條件下,保持高轉速和恒定輸出功率的“深度弱磁”。

基于瑞薩電子電機控制,RAMDA算法技術特點及基本原理介紹
- 上一篇:智能音箱的浪潮已來,中國電信也在賦予行動 2020/7/11
- 下一篇:銻化銦InSb霍爾元件在無刷電機中的應用 2020/7/10

