如何用555組成穩定的石英晶體振蕩電路
2021/8/4 10:22:56 點擊:
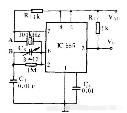
一般我們都是用555時基電路組成RC振蕩器,用555也可以組成穩定的石英晶體振蕩電路。如圖所示

將A、B二點短接或夾接一小電阻,則構成一無穩態多諧振蕩器,其振蕩頻率為
f=1.44/R1C1
選擇R1C1使f接近于晶體的固有振蕩頻率,然后如圖接好,將使電路牽引至晶體振蕩頻率或其揩波頻率上振蕩。
若起振不好,可調節可變電容C3。若將時間常數RC增加N倍,則555的振蕩頻率為晶振頻率的1/n。
- 上一篇:簡單無極性充電器電路原理圖 2021/8/5
- 下一篇:夏天到了,教你怎么制作簡易的電子滅蚊器 2021/8/4

